고성능 CNMG 120408 초경 선삭 인서트 제조업체

CNMG 120408 카바이드 인서트

  1. 원자재 선택: 고품질 텅스텐 카바이드 분말이 선호됩니다. 100% 버진 소재.
  2. 독일 수입 PVA 소결로. HIP 소결. 고밀도, 고경도의 텅스텐 카바이드 인서트를 유지할 수 있습니다, 높은 내마모성고정밀 및 높은 안정성, 고성능.
  3. 카바이드 인서트의 내마모성을 크게 향상시키고 수명을 연장할 수 있는 CVD 코팅, PVD 코팅 및 자체 개발한 실리콘 함유 코팅이 적용되었습니다.
  4. 내마모성과 절단 성능이 뛰어납니다.
  5. 높은 효율성과 긴 서비스 수명.
  6. 공구 연구 및 개발에 집중하고 절삭 공구 품질과 비표준 공구 설계를 지속적으로 개선합니다.
  7. 전문 엔지니어와 품질 검사 팀이 제품 공정 검사 및 인수 검사를 통해 안정적인 제품 품질을 보장하고 부적합한 제품이 출하되는 것을 방지합니다.
  8. 40년 이상의 제조 경험.
  9. CNMG 120408 카바이드 인서트의 성능과 수명은 Walterr, SECOO, Coromantt, Sandvikk, Tungaloyy, Kyoceraa, Widiaa, Kennametall의 90-95% 수준입니다.
CNMG 카바이드 인서트 모델; CNMG 120408 특징

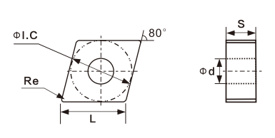
CNMG120408 도면

CNMG 모델

CNMG 120408 카바이드 인서트 세부 정보:

CNMG 120408

CNMG 카바이드 인서트

CNMG 인서트

 

CNMG 120404 및 CNMG 120408 포장:

CNMG 인서트 포장

맞춤형 패키징을 지원합니다.

 

다양한 가공 금속 재료에 권장되는 공통 등급입니다:

1. 일반 탄소강 및 합금강 가공용:

선호되는 선택: CVD 코팅 인서트(예: Al₂O₃ 기반 코팅), 등급은 보통 M(노란색 라벨) 또는 P(파란색 라벨)로 시작합니다.

높은 인성이 필요한 경우 PVD 코팅된 TiAlN 재종을 선택할 수 있습니다.

2. 스테인리스 스틸 및 오스테나이트 스틸 가공:

선호되는 선택: PVD 코팅 인서트, 특히 TiAlN 또는 AlTiN 코팅이 적용된 인서트. 이렇게 하면 쌓인 모서리 형성을 줄이고 날카로운 절단면을 유지할 수 있습니다. 등급 지정은 보통 S(녹색 라벨)로 시작합니다.

3. 주철 가공 3:

선호되는 선택: 우수한 내마모성과 압축 강도를 제공하는 CVD 두꺼운 코팅(예: TiCN-Al₂O₃). 등급 지정은 일반적으로 K(빨간색 라벨)로 시작합니다.

4. 고속 가공, 고경도 재료(강화 강철):

내열 코팅(예: CVD Al₂O₃+TiCN 복합 코팅)을 사용해야 합니다.

 

견적 문의 및 테스트용 무료 샘플을 보내주세요:

 

 

맨 위로 스크롤